|
188-6099-5107
商务合作:cuitingyu@email.acrel.cn
安科瑞 刘芳 18860995107
一、项目背景与储能系统核心配置
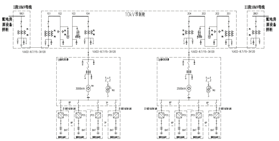
本项目厂区主要从事紧固件、钨钢模具、五金制品、钢丝拉丝及铁道扣件的生产销售,配备一千余台套进口自动化生产及检测设备,用电负荷显著。为适配负荷需求,本次配置 5MW/10MWh 锂电池储能系统,配套 1 台 3000kVA 变压器、1 台 2500kVA 变压器及 1 座 10kV 开关舱。系统运行流程为:直流电经逆变转为 690V 交流电,再通过升压变压器升至 10kV 电压等级,最终接入 2 座 10kV 开关舱的进线柜,实现稳定并网。

二、电能质量监测装置配置要求
本工程设置 2 个并网点,依据《浙江电网电化学储能电站并网技术要求》中 “10(6)千伏及以上电压等级并网的电化学储能电站应在并网点装设满足 GB/T 19862 要求的 A 级电能质量在线监测装置” 的规定,本期在储能并网点及公共连接点(公司配电房)各装设 1 套在线式电能质量监测装置,实时监测谐波、负序、电压波动与闪变等关键电能质量参数,确保并网电能质量达标。

三、保护及安全自动装置配置
为保障系统安全稳定运行,配置系列保护及安全自动装置:一是用户总配电房 10kV 母线侧装设故障解列装置,动作时跳开总配电房 10kV 储能接入柜开关;二是 10kV 总配电房进线柜配置阶段式方向过流保护与逆功率保护装置,储能接入柜同步配置阶段式方向过流保护;三是配置 2 套防孤岛保护装置,储能系统需具备防孤岛保护功能,非计划孤岛情况下需在 2s 内与电网断开;四是储能站侧装设 2 套频率电压紧急控制装置,当频率、电压超出允许范围时,立即跳开储能并网点开关。

四、并网通信系统设计要求
储能电站并网通信系统以满足电网安全经济运行为核心前提,保障调度自动化、继电保护及安全自动装置等业务的通信需求。系统需通过 104 协议,将远动数据、电能计量数据及电池状态数据准确、稳定、可靠地传输至嘉善调度自动化系统。本期将敷设专用光纤,构建 “晋亿实业储能电站 — 光通信 — 惠民变 — 光通信 — 嘉善供电公司” 的光缆通道,实现储能电站相关信息的安全上送。
